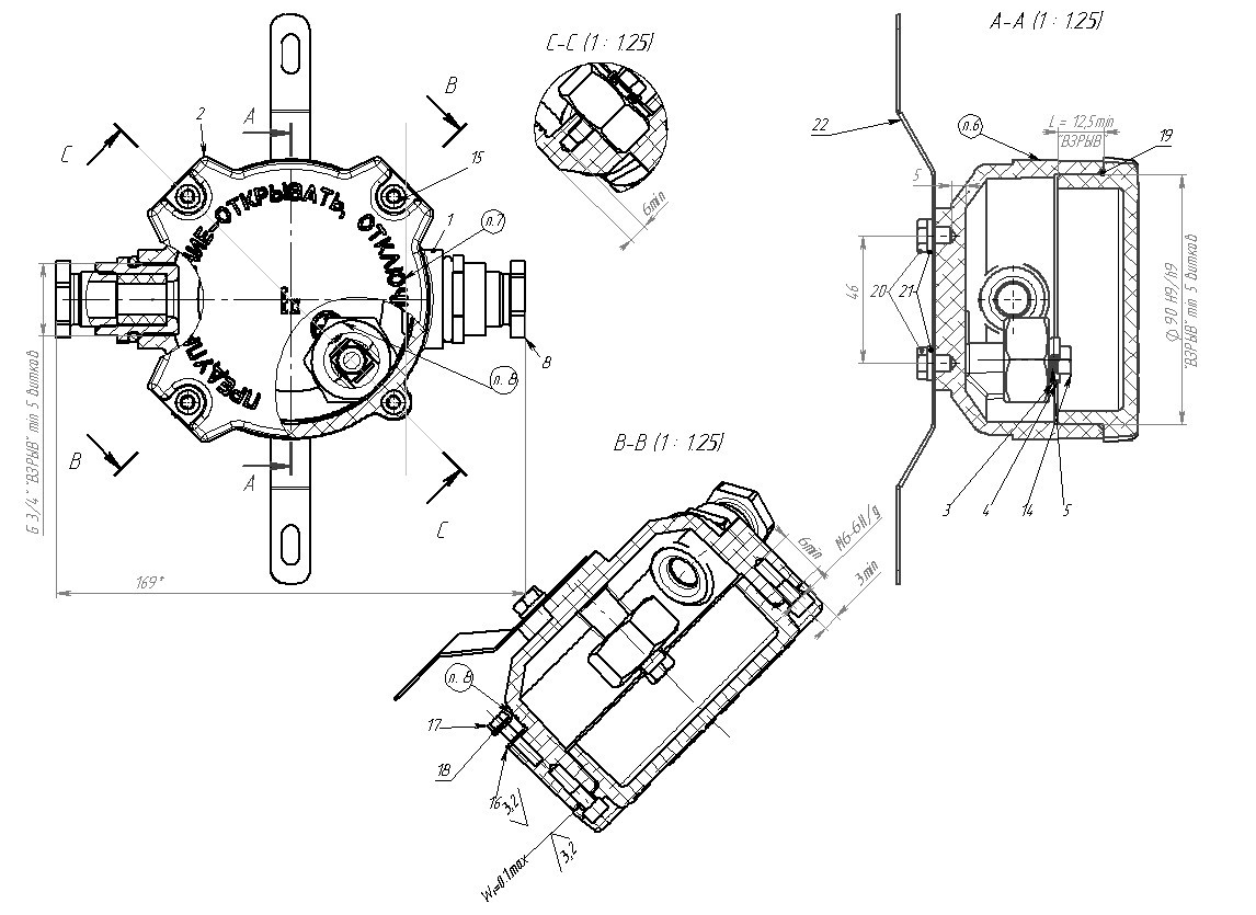
Коробка распределительная КР-ВС-50d-01-2 (2 ввода)

Новинка
Степень защиты:

IP66

Маркировка взрывозащиты:

1 Ex db IIC T6 Gb, Ex tb IIIC T85°C Db

Максимальное напряжение, В:

750

Все характеристики

Предназначены для ввода проводов и кабелей, осуществления разветвлений и соединений в электрических цепях и для размещения клеммных зажимов, в случае необходимости монтажа их во взрывоопасных зонах

Описание
Характеристики
Сертификат
Паспорт

Коробки взрывозащищенные распределительные серии КР-В предназначены для ввода проводов и кабелей, осуществления разветвлений и соединений в электрических цепях и для размещения клеммных зажимов, в случае необходимости монтажа их во взрывоопасных зонах классов 1 и 2, 21 и 22 по ГОСТ IЕС 60079-14-2013, ГОСТ ІEС 60079-10-2-2017(IEC 60079-10-2:2015) помещений и наружных установок, согласно присвоенной маркировке взрывозащиты и ГОСТ IЕС 60079-14-2013 «Взрывоопасные среды. Часть 14. Проектирование, выбор и монтаж электроустановок».

РАСШИФРОВКА УСЛОВНЫХ ОБОЗНАЧЕНИЙ:
КР-ВХ1-X2d-Х3-Х4-Х5, где:

  •   КР-В – серия коробки:
  •   Х1 – тип корпуса:

— стандартный тип коробки;

С – модернизированный тип коробки с другими габаритами.

  •   X2 – размер:

— 50d – стандартная коробка КР-ВС;
— 100d – малая коробка с резьбовым или винтовым креплением крышки;

  •   X3 – Модификация корпуса:

— 00 – стандартная коробка с резьбовым креплением крышки;
— 01 – стандартная коробка с резьбовым и винтовым креплением крышки (для КР-ВС);

  • X4 – количество резьбовых отверстий (1-4);
  • X5 – УХЛ1 – климатическое исполнение светильника и категории его размещения. По умолчанию УХЛ1 – возможно не указывать.

 

Основные характеристики

Степень защиты IP66
Маркировка взрывозащиты 1 Ex db IIC T6 Gb, Ex tb IIIC T85°C Db
Максимальное напряжение, В 750
Класс защиты от поражения электрическим током I
Температура окружающей среды при эксплуатации коробок -60°C…+40°С
Климатическое исполнение УХЛ1
Материал корпуса Алюминиевый сплав
Габаритный размер 169х90 мм

Похожие товары

Посмотреть каталог
Код 0208-00260 Светильник ДСП 47Д-18-ХХХ УХЛ
Код 0208-00370 Светильник ДСП 47Д-20-ХХХ УХЛ1
Код 0209-00010 Светильник ГСП 47-70-ХХХ УХЛ1
Код 0205-00010 Светильник НСП 47-200-ХХХ УХЛ1 E27
Код 0210-00010 Светильник НСП 03-300-001 (Н4Б-300) УХЛ E27
Код 0208-00550 Светильник ДСП 47Д-30-ХХХ УХЛ1
Код 0211-00020 Светильник ДСП 03-20-002 УХЛ1
Посмотреть каталог